产品中心
太阳能工程控制仪
太阳能工程控制系统
当前位置:网站首页>>技术支持技术支持
升华乳业公司太阳能热水控制系统方案
发布时间:2013-11-11 16:48 发布作者:admin 浏览次数:次 标签:
升华乳业公司太阳能热水控制系统方案--联箱式真空管太阳集热系统:
一、工程概况
升华乳业公司位于杭锦后旗头道桥镇;本项目拟采用太阳能双能源热水系统提供热水,每天消耗35~50℃热水1.5吨,75~85℃0.5吨。依据太阳能集热系统特点及系统投资经济性要求,太阳能集热系统提供热水温度按45℃设计,当地自来水温度按15℃设计,在日照不足时采用电辅助加热系统保证热水供给。
二、设计计算
1、热水水量:
(1)系统设计日产45℃以上热水2.5吨,自来水温度按15℃设计,太阳能集热系统产热水温度按45℃设计,太阳能集热系统产热提高水温△T=45-15=30℃。
(2)考虑用水特点状况及投资经济性,故按2.5吨联箱式真空管太阳集热系统设计。
2、太阳集热器选型:
本系统太阳集热器拟选用联箱式真空管太阳集热器:
联箱式真空管太阳集热器工作原理:
联箱式真空管太阳集热器是成熟通用的标准化产品,产品性价比好,经济实用。
联箱式真空管太阳集热器由全玻璃真空管、保温联集箱、和尾托梁等部分组成。太阳光透过玻璃管,照射在真空集热管内管外壁的选择性吸收涂层上,高吸收率的太阳选择性吸收膜将太阳辐射能转化为热能通过玻璃内管壁传递,直接加热内管中的水,水温升高导致水的密度发生变化,从而在真空管及保温联集箱内产生自然循环,使整个集热器内的水都被加热。当集热器出口温度达到设定要求时,凉水从集热器入口顶入将集热器内的热水置换顶出,如此循环加热过程,连续不断的吸收太阳辐射能为热水系统提供热源。
联箱式真空管太阳集热器特点:
集热器采用联箱式微承压设计,适用于自然循环、强制循环太阳集热系统。
集热器采用国标优质名牌全玻璃真空管(北方牌)高效集热,全年运行,投资较经济。
集热器的全玻璃真空管东西横向放置,使集热器真空管内的存水充分利用,同时利于真空管内壁清洗排污。
集热器的全玻璃真空管全年自动跟踪阳光,集热器安装与地面夹角在20°-60°范围任意设置。
集热器空晒可能导致全玻璃真空管炸裂,禁止集热器空晒上水,避免系统跑水瘫痪。
集热器模块化设计,可任意组合成各种大小集热面积的集热阵列。
3、系统集热面积:
考虑到现场实际情况,补偿集热器与储水箱距离过长带来的热量损失,在楼顶平台放置集热器6组,集热面积30平方米,Ф47×1500mm真空集热管:300支。
本太阳能集热系统晴好天气每平方米集热器日均产热水量(⊿T=35.0℃)为:春夏秋季70-120 kg,冬季40-60 kg
4、系统储热水箱选型:
本太阳能热水系统设一个1.5吨园形不锈钢保温水箱和一个0.5吨园形不锈钢保温水箱,保温层采用聚氨脂发泡。
5、系统辅助能源装置:
本系统设置电加热作为辅助能源,在太阳不足时,采用电加热保证足够的热水供给;也可以用原来的锅炉补充热量。
6、系统智能自控装置:
本系统不同于一般的太阳能热水控制系统只产一种温度的热水,而是需要两种温度的热水,并要求最大限度地利用太阳能,所以本系统配置高档专用太阳能控制仪实现全自动控制:大屏幕液晶显示,中文菜单,水温水位显示,自控定温上水,自控温差集热循环,自控防冻保护循环,自动防冻伴热。太阳能热水系统全自动运行,无须专人值守。
7、热水系统布局:
因为挤奶室屋顶是彩钢板结构,不能承重,所以本太阳能热水系统集热器摆放于车库房屋面,面向正南,安装倾角为30°,集热器采用串并联连接方式,储热水箱放置在挤奶室的外设备间,控制柜、循环泵、电磁阀等也设于同一房间内;供热水主管道从水箱到锅炉,同时引向挤奶室的水槽;
8、热水系统保温:采用橡塑保温管,厚度大于等于30mm,外做保护层。
9、热水系统防冻:集热系统室外管路冬季采用自控防冻保护循环和伴热带双重保护。
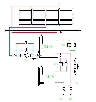
三、统运行原理

四、系统特点
1、系统定温上水:太阳能集热系统通过集热场集热器出口温度设定控制上水动作,确保热水水箱内只有达到温度的热水;系统上水须通过集热场实现,可保证系统优先利用太阳能量。集热器出口水温T1达到设定值A(50℃),上水电磁阀开启,凉水将集热器内热水顶入集热储热水箱;T1达到设定值B(42℃),上水电磁阀关闭,系统停止上水。如此重复动作,直到水位达到100%后,自动锁闭系统上水功能,防止系统溢水。
2、温差集热循环:太阳能集热系统通过温差跟踪循环控制方式保证系统自动最高效率、最大化采集太阳能量。集热器出口水温T1大于水箱水温T2达到8℃时,热水循环泵启动,水箱内的水推动集热器内的水循环回到热水箱内,T2与T1差值达到2℃时,循环泵停止工作。
3、防冻保护功能:太阳能集热系统通过防冻循环和伴热带控制保证室外集热系统冬季防冻。集热器底部入口水温T3(管道水温)低于设定值C(5℃)时,系统进入防冻状态,循环泵开启,同时启动伴热带提高管道温度到10℃时停止,保证不会冻坏管道。
4、上述功能由系统智能控制柜自动完成,无须人工干预,其中的A、B、C值可根据季节不同或用户要求不同修改设定。
系统辅助功能:
(1)定时加水:每天可设定二个时间点自动加水至【加水水位】;
(2)定时加热:每天可设定二个时间点自动将水箱内的水加热至【加热温度】
系统保护功能:
1、空晒保护:为保护集热管,防止炸管,当由于停电等原因循环停止造成集热器出水口温度T1>80℃时,停止所有循环,直至集热器出水口温度T1≤60℃时恢复所有循环。
2、干烧保护:水位=0时,系统自动关闭并禁止启动电加热。
3、防冻保护:管道温度T3<5℃,进入防冻状态,自动启动伴热和防冻循环,保证管道不会被冻坏,直到管道温度T3≥11℃,退出防冻状态,
本太阳能热水控制系统智能自控定温上水,日出1小时即可产热水,满足用户定温即时热水供应需求。系统集热器标准联集箱设计,强制循环热效高;系统集热器采用国标全玻璃真空管,东西横向放置,全年跟并 利于通过排空回路定期清除真空管内沉积的泥沙、污垢,保持稳定的集热效率;集热器支架采用国标型钢制作,取消反射板,防风沙设计。 太阳能双能源热水系统控制执行件采用优质优选产品,水泵、电阀、控制电器元件性能稳定,运行可靠,低噪音,低耗能。双能源阳光热水系统采用二级能源加热方式实现多能互补,安全可靠,科学节能,方便使用;导入太阳能预热设计概念,使系统初投资大大节约。双能源阳光热水系统的太阳能集热器从平板集热器、真空管集热器到热管集热器,模块化设计,工厂化生产,标准化施工,集热系统优化组合,量身定做。